
添加微信幫助解決機器人故障
首頁 > 焊機維修 > 林肯焊機維修 > 
林肯焊機由于生產效率高、風阻較小散熱效果較好等優點占據了電焊機的大部分。令焊機大多都處在比較差的環境下工作,如潮濕、灰塵、室外、頻察移動等。林肯焊機在使用過程中出現一些故障是在所難免的。產生故障的原因也是多種多樣的,從 林肯焊機維修 的角度 ... [全文]

一、 林肯焊機維修 故障原因分析 1.檢查輸入線路上的保險絲F1和保險絲底座 2.檢查輸入電源開關是否出現故障 3.可能缺一相輸入電壓 4.檢查機器上的三相輸入電網電壓,輸入電壓必須與機器銘牌匹配 二、林肯焊機維修解決措施: 更換保險絲 F1 或底座 更換電源開 ... [全文]

1、林肯DC400焊機檢修注意事項 (1)正式檢修前一定要先了解故障現象,熟悉焊機,并結合用戶說明書初步分析引發故障的可能性。 (2)移動、拆裝和檢修焊機前一定要切斷輸入電源,以確保人身和設備安全,有特殊要求時除外。 (3)檢修過程中一定要注意確保人 ... [全文]

林肯焊機由于生產效率高、風阻較小散熱效果較好等優點占據了電焊機的大部分。令焊機大多都處在比較差的環境下工作,如潮濕、灰塵、室外、頻察移動等。林肯焊機在使用過程中出現一些故障是在所難免的。產生故障的原因也是多種多樣的,從 林肯焊機維修 的角度 ... [全文]

林肯焊機維修 分析 一、林肯氬弧焊機焊接電流不穩定,不受控制,時大時 ... [全文]

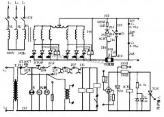
林肯焊機DC400的故障診斷 1、電路結構特點及基本原理林肯焊機DC-1500按其功能可分為主電路、操作電路、控制調節系統和保護電路四大部分。 1.1、主電路及操作電路主電路采用帶平衡電抗器的雙反星形可控硅整流電路,比起三相半波整流和三相橋式整流具有以下特 ... [全文]

一、林肯焊機故障原因分析 1.檢查輸入線路上的保險絲F1和保險絲底座 2.檢查輸入電源開關是否出現故障 3.可能缺一相輸入電壓 4.檢查機器上的三相輸入電網電壓,輸入電壓必須與機器銘牌匹配 二、解決措施: 更換保險絲 F1 或底座 更換電源開關 檢查并進行重新 ... [全文]

焊機維修故障現象一: 開啟焊機開關,交流接觸器CR1吸合,但風扇不轉,且電壓表無顯示 故障可能原因分析 ①風扇電動機回路和電壓表回路存在故障; ②主變壓器T:燒斷; ③交流接觸器CR1主觸點均不能接觸; ④風扇電動機回路部分和控制板部分存在故障。 故障 ... [全文]

焊機維修故障現象一: 焊機空載輸出電壓低 故障可能原因分析 ①電源缺相造成焊機缺相工作,輸出電壓低; ②大功率晶閘管損壞造成該路斷路無輸出; ③控制板PC1零部件損壞,造成個別晶閘管因無觸發脈沖而不導通; ④阻容保護電路板零部件損壞,造成個別晶閘管 ... [全文]

焊機維修故障現象 故障一:開啟焊機開關,交流接觸器CR1振顫,輸出不穩 故障可能原因分析 ①交流接觸器CR1故障; ②勵磁電壓回路存在虛接處; ③勵磁電壓低。 故障檢測及排除方法 ①檢查、修理或更換; ②檢查勵磁電壓回路虛接處并聯結好; ③檢測電網電壓和 ... [全文]

1、林肯E500焊機檢修注意事項 (1)正式檢修前一定要先了解故障現象,熟悉焊機,并結合用戶說明書初步分析引發故障的可能性。 (2)移動、拆裝和檢修焊機前一定要切斷輸入電源,以確保人身和設備安全,有特殊要求時除外。 (3)檢修過程中一定要注意確保人體 ... [全文]

林肯焊機DC1500的故障診斷 1 電路結構特點及基本原理 林肯焊機DC1500按其功能可分為主電路、操作電路、控制調節系統和保護電路四大部分。 1.1 主電路及操作電路 主電路采用帶平衡電抗器的雙反星形可控硅整流電路,比起三相半波整流和三相橋式整流具有以下特點 ... [全文]